Componentes electrónicos¶
Mi hoja de referencia para saber como usar las partes.
Development Board Pinouts¶
Mapeo de pines para varias plaquitas.
ESP8226 (12E NodeMCU)¶
Interrupt pins: "This function is available on D0-D8 pins of NodeMCU Dev Kit."
- https://www.electronicwings.com/nodemcu/nodemcu-gpio-interrupts-with-arduino-ide
- https://randomnerdtutorials.com/interrupts-timers-esp8266-arduino-ide-nodemcu/
PWM pins: "PWM may be used on pins 0 to 16"
Ref: https://randomnerdtutorials.com/esp8266-pinout-reference-gpios/
ESP32 (NodeMCU)¶
"ESP-WROOM-32 38 PIN Develeopment Board PINOUT"
https://www.studiopieters.nl/esp32-pinout/
Hardware Serial¶
Estos pines están definidos, pero se pueden asociar lógicamente a cualquier par de pines.
Ver: https://circuits4you.com/2018/12/31/esp32-hardware-serial2-example/
UART RX IO TX IO CTS RTS
UART0 GPIO3 GPIO1 N/A N/A
UART1 GPIO9 GPIO10 GPIO6 GPIO11
UART2 GPIO16 GPIO17 GPIO8 GPIO7
Para usarlos, ver ejemplos:
- https://github.com/G6EJD/ESP32-Using-Hardware-Serial-Ports/blob/master/ESP32_Using_Serial2.ino
- https://circuits4you.com/2018/12/31/esp32-hardware-serial2-example/
- https://icircuit.net/arduino-esp32-hardware-serial2-example/3181
Arduino UNO¶
https://www.circuito.io/blog/arduino-uno-pinout/
Arduino Nano¶
https://docs.arduino.cc/hardware/nano
https://commons.wikimedia.org/wiki/File:Arduino-nano-pinout.png
Raspberry Pi¶
I2C OLED Display 0.96¶
Monochrome, anda con 3.3v en VCC.
Para encontrar si dirección I2C, ver: https://playground.arduino.cc/Main/I2cScanner/
Guia: https://randomnerdtutorials.com/esp32-ssd1306-oled-display-arduino-ide/
La direccion de mi display es 0x3C (y no 0x3D como venia por default para mi display).
Ver también: https://lastminuteengineers.com/oled-display-esp32-tutorial/
LEDs¶
Hay que ponerles una resistencia si el voltaje es mayor a 2 V aprox.
5 mm¶
Para 20 mA y 5 V, se necesita una resistencia de 250 Ohm.
{{:proyectos:diy:componentes:20200705-170933.png?500x0}}
{{:proyectos:diy:componentes:20200705-171100.png?300x0}}
3 mm¶
Parece que tambien van entre 20 y 18 mA.
Optoacoplador¶
Sirve para aislar circuitos electricamente y transmitir informacion de uno a otro.
Hay de varios tipos, una cosa importante es que algunos son "zero-crossing".
PC817¶
Optoacoplador Pc817c Pc817 Led-transistor
MOC3021¶
Optoacoplador Moc3021 3021 Led-triac Dip-6
Info útil sobre como funciona: https://components101.com/ics/moc3021-triac-driven-optoisolator-pinout-equivalent-datasheet
- Max current: 100 mA / 1 A (ver datasheets)
- random phase optoisolator
- Corriente máxima de activación 60 mA (la mínima depende del modelo, ver notas abajo).
Las versiones 301X son para menos voltaje, y las 302X para mas voltaje.
El número al fonal en los 301X/302X tiene que ver con la corriente mínima que activa el optocoplador (ver página 4 acá).
Segun el esquema del "washing machine motor driver" el arduino activaba un MOC3021 con 5V, a traves de una resistencia de 360 Ohm (dando maximo 13 mA para activar el MOC302**3** de ese circuito). A mi no me alcanzaba para nada, incluso bajando la resistencia hasta 10 Ohm sigo teniendo una resistencia de salida de mas de 200 Ohm (al menos no es mas de 1 kOhm...).
MOC3041¶
Moc3041m Opto Salida Triac Dip6
Info util sobre como funciona: https://components101.com/ics/moc3041-zero-cross-triac-driven-optoisolator
- Max current: 1 A
- zero crossing optoisolator
- Corriente máxima de activación 60 mA (la mínima depende del modelo, ver en las notas del 3021 o acá).
Relee¶
Pololu¶
A4988¶
https://lastminuteengineers.com/a4988-stepper-motor-driver-arduino-tutorial/
MS1 MS2 MS3 Microstep Resolution
Low Low Low Full step High Low Low Half step (½) Low High Low Quarter step (¼) High High Low Eighth step (⅛) High High High Sixteenth step (1/16)
DRV8825¶
https://lastminuteengineers.com/drv8825-stepper-motor-driver-arduino-tutorial/
M0 M1 M2 Microstep Resolution
Low Low Low Full step High Low Low Half step Low High Low ¼ step High High Low ⅛ step Low Low High 1/16 step High Low High 1/32 step Low High High 1/32 step High High High 1/32 step
Transistores¶
Transistor:
* Emitter (+)
* Collector (-)
https://www.electronics-tutorials.ws/transistor/tran_8.html
MOSFET:
- Drain (+)
- Source (-)
https://www.electronics-tutorials.ws/transistor/tran_6.html
hFE current gain¶
hFE (which is also referred to as β) is the factor by which the base current is amplified to produce the amplified current of the transistor.
Sirve para ver la diferencia entre BC337-25 BC337-40 y BC337:
- https://components101.com/transistors/bc337-transistor-datasheet-pinout-equivalent
- http://www.learningaboutelectronics.com/Articles/What-is-hfe-of-a-transistor
- https://www.onsemi.com/pdf/datasheet/bc337-d.pdf
2n3906 PNP BJT¶
BJT es "bipolar junction transistor".
Transistor 2n3906 To92pnp 2n 3906
Ver: https://www.electronics-tutorials.ws/transistor/tran_3.html
2N2222 NPN¶
DC Current Gain (hFE) is 100.
Continuous Collector current (IC) is 800mA.
Datasheet:
Ver:
- https://www.electronics-tutorials.ws/transistor/tran_2.html
- https://components101.com/transistors/2n2222a-pinout-equivalent-datasheet
- Collector
+ - Emitter
-(flechita saliendo en el simbolo)
Aplicaciones¶
- proyectos/diy/arduino
- Cuentitas para usar con los 3.3V del ESP: https://forum.arduino.cc/t/esp8266-2n2222-npn-transistors-problems/573437/2
BC337 NPN¶
Continuous Collector current (IC) is 800mA
Current Gain (hFE), 100 to 630
https://components101.com/transistors/bc337-transistor-datasheet-pinout-equivalent
BC547 NPN¶
DC Current Gain (hFE) is 800 maximum
Continuous Collector current (IC) is 100mA
- https://www.sparkfun.com/datasheets/Components/BC546.pdf
- https://components101.com/bc547-transistor-pinout-datasheet
Driving MOSFETs¶
Bootstrap MOSFET Driver¶
Tutorial con IR2110 para N MOSFET en "high side" con bootstrap https://krakkus.com/high-side-mosfet-driving-using-the-ir2110/
IRF630 (power MOSFET)¶
Maximo 100 A.
https://www.st.com/resource/en/datasheet/irf630.pdf
Source (S): GND / -
Drain (D): LOAD / +
TIP122 Darlington NPN¶
Tip122 Darlington Npn 100 V 5 A
The TIP122 is a Darlington pair NPN transistor. It functions like a normal NPN transistor, but since it has a Darlington pair inside it has a good collector current rating of about 5A and a gain of about 1000. It can also withstand about 100V across its collector- Emitter hence can be used to drive heavy loads.
https://components101.com/transistors/tip122-pinout-equivalent-datasheet
Logic level trade-off and high power drivers:
Rds on:
- https://www.microcontrollertips.com/mosfets-what-is-rdson-faq/
- https://www.allaboutcircuits.com/technical-articles/understanding-mosfet-on-state-drain-to-source-resistance/
Gate resistance:
Gate-source voltage:
- Lo maximo de voltaje entre gate y source (GND).
Info:
Datasheets y comparativas:
Bootstrap para usar N-MOSFET en high-side:
* https://www.youtube.com/watch?v=zcQV_ZpK1W8
* https://www.youtube.com/watch?v=ZZDdlAgZfvI
* Con driver IR2110 https://krakkus.com/high-side-mosfet-driving-using-the-ir2110/
Datasheet:
Aplicaciones¶
Triac¶
Es como un transistor (en realidad es como un tristor) pero para corriente alterna (AC), pero también es más complicado.
Info general de funcionamiento:
- https://www.electronics-tutorials.ws/power/triac.html
- https://circuitdigest.com/tutorial/triac-switching-circuit-and-applications
Los dos modelos que conozco difieren en si el heatsink está aislado de MT2 o no:
- BTA: con disipador aislado/insulated.
- BTB: con disipador no aislado, conectado a A2/MT2.
BTB16-800¶
Compré el triac: BTB16-800 Triac 800v 16A To220
Hay versiones "snubberless" para usar con "high inductive loads" (como un motor). Pero en internet dicen que a veces igual hay que agregar un "snubber circuit". Ver datasheet.
BTA41-600B¶
Este tiene el disipador insulado.
Application notes¶
Info muy piola sobre controlar un Triac con un Optotriac:
El wiring básico es este:
Para controlar motores especialmente, hay que agregar un "snubber circuit". Ver:
- https://en.wikipedia.org/wiki/TRIAC#Commutating_dv/dt_and_di/dt
- https://en.wikipedia.org/wiki/TRIAC#Snubber_circuits
Para un "dimmer" esta es la configuracion más simple que añade un "snubber":
{{:proyectos:diy:componentes:20201231-150835.png}}
Más info sobre controlar motores:
- TRIAC analog control circuits for inductive loads http://educypedia.karadimov.info/library/CD00003856.pdf
- chapter about speed control (pages 59 to 73 are well worth reading) https://www.amazon.co.uk/Electric-Motors-Home-Workshop-Practice/dp/1854861336/ref=pd_bxgy_b_img_b
Algunas variantes del circuito para arduino incluen otro snubber, en este video se explica que es:
- Intro: https://youtu.be/JrQdIjrT4XA?t=84
- Explicacion de la parte misteriosa: https://youtu.be/JrQdIjrT4XA?t=306
Optotriac-Triac for AC control¶
*
Se suele poner una resitencia entre el AC y el Optotriac cuando es de tipo "random fire" (sin el "zero crossing" circuit). Esa resistencia es importante también si la carga es de tipo "inductiva" (y la corriente no está en fase con el voltaje).
El valor de esa resistencia "R1" se calcula con:
R = Vpeak / Ipeak = 220V * srqt(2) / 1A = 311 Ohm
Algunos usan 240V en vez de 220V, o 1.2A en vez de 1A. Parece que esa corriente "máxima" está relacionada con un tiempo; segun una de las respuestas el tipico "1A" es para pulsos de 10 microsegundos.
En todo caso, ese valor el una cota mínima. R1 no puede ser demasiado alta, porque también hay un mínimo de corriente del MOC que tiene que pasar por el "gate" del Triac para activarlo.
Hay otro resistor "G" (gate resistor) que solo es necesario cuando la impedancia del Triac o SCR es muy alta (como es el caso para los sensitive gate thyristors). Ni idea que significa esto. Ideas?
- https://electronics.stackexchange.com/questions/340902/how-to-choose-value-of-base-protection-resistor-for-triac
- https://electronics.stackexchange.com/questions/325605/triac-gate-current-understanding
- https://electronics.stackexchange.com/questions/53500/optotriactriac-how-do-i-calculate-the-gate-resistor
En una de esas preguntas hay un ejemplo con el MOC3011M, cuya maximum surge current es 1.2A, y eso define su valor de R1:
R1 (min) = Vin(pk)/1.2A
Para AC de 115V:
Vin (pk) = 180 V
R1(min) = Vin(pk)/1.2A = 150 Ohm
- https://electronics.stackexchange.com/questions/133927/triac-power-switching
- http://www.littelfuse.com/~/media/files/littelfuse/technical%20resources/documents/product%20catalogs/powerthyristorapplicationnotes.pdf
- http://www.littelfuse.com/~/media/files/littelfuse/technical%20resources/documents/product%20catalogs/powerthyristorapplicationnotes.pdf
Hay opiniones encontradas sobre la orientación del triac (o sea, si da igual invertir MT1 con MT2 en los circuitos). Algunos dicen que da igual. En mis manos una vez ayudó, pero conociéndome desconfío de esa conclusión. Mi intuición sobre el "AC" dice que no deberia cambiar en nada.
Tristor¶
Tristor o Tyristor, a veces llamado "SCR".
Sh8g41 Tiristor Alta Velocidad 400v 8a To220
Comparador¶
Lm393¶
Lm393 Doble Comparador Dip-8
Reguladores de voltaje¶
LM7805 (5V)¶
KA7805 (5V, reclaimed)¶
https://pdf1.alldatasheet.com/datasheet-pdf/view/164458/FAIRCHILD/KA7805.html
Resistencias / resistores¶
{{:proyectos:diy:upcycle:20200617-225059.png}}
Necesito una resistencia de 30 Kilo Ohm de 0.5 W ¿Como la armo usando los chiquitos?
Diodos¶
1N 4007¶
- TENSION REVERSA: 1000 Vpp
- CORRIENTE: 1 A
- ENCAPSULADO DO-201
Diac¶
Caso como un diodo, pero para corriente alterna.
Ver:
Rectificadores¶
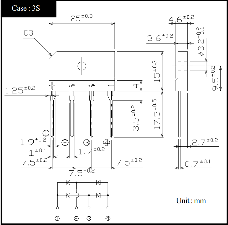
D3SBA20 rescatado¶
Single-phase full-wave rectifier.
Ver: https://www.electronics-tutorials.ws/power/single-phase-rectification.html
Capacitores¶
https://www.inventable.eu/2012/09/15/como-se-leen-los-valores-de-los-capacitores/
Sensores¶
Hall effect¶
Sensor Efecto Hall A3144
























